Cs6124k3 is a capacitive inductive touch detection chip, which provides three touch input ports and three direct output ports, and supports multi-point simultaneous touch and simultaneous output. The sensing effect is stable. It replaces traditional mechanical switches and ordinary keys and is widely used in electronic products.
characteristic
◆ working voltage: 2.5v-5.5v
◆ low standby current @ battery voltage = 4.0V I = 15ua (typical value)
◆ the touch sensitivity of each key is uniformly adjusted by an external capacitor setting
◆ no touch button lasts for more than 4 seconds and enters the standby mode
◆ reliable power on reset (POR) and low voltage reset (LVR)
◆ the touch function can be realized under the condition of medium isolation protection (such as glass, acrylic and other materials), with high safety ◆ esop8 package
Scope of application
◆ various consumer products
◆ replace traditional mechanical switches and buttons
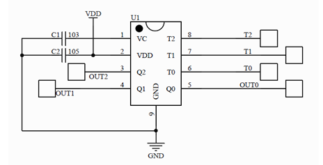
Pin distribution and definition
Limit parameters
Remarks: exceeding the above limit parameters may cause permanent damage to the device. These are only stress limits, and the device is not recommended to operate under these limits or any other conditions exceeding the following "recommended operating conditions". Working under the above limit parameters for a long time may affect the reliability of the device.
Electrical parameters
Typical application circuit
matters needing attention:
1. During PCB routing, the shorter the lead from the touch point to the chip pin, the better, and the routing of this lead and other touch points shall not be parallel or cross.
2. The power supply must be stable. If the voltage ripple of the power supply is relatively large, it will cause abnormal sensitivity or false detection.
3. When the difference of dielectric material and thickness is large, the touch sensitivity can be adjusted by adjusting the CVC capacitance between VC and GND. The recommended value range is 1NF ~ 47nF, and the typical value is 10nf. Within the range, the greater the capacitance value, the higher the sensitivity, and the smaller the capacitance value, the lower the sensitivity. Smaller temperature coefficient and more stable capacitor must be ed; For example, X7R and NPO, it is recommended to NPO capacitor to reduce the sensitivity affected by temperature change.
Encapsulation information