欢迎光临厦门芯阳科技股份有限公司官方网站

概述

     CS6124是一款电容感应式触摸检测芯片,提供4 个触摸输入端口及4 个直接输出端口,并支持多点同时触摸同时输出,感应效果稳定,取代传统的机械开关和普通按键,广泛应用在电子产品中。

特点

   ◆  工作电压2.5V-5.5V

◆  低待机电流@电池电压=4.0V I=15uA(典型值)

  各键触摸灵敏度统一由一个外部电容设置调节

   ◆  无触摸按键持续超过 4秒,进入待机模式

  可靠的上电复位(POR)及低电压复位功能(LVR)

  通过引脚设置OD输出或CMOS输出、设置直接输出模式或锁存输出、以及设置高电平或低电平有效

  可在有介质隔离保护的情况下(如玻璃,亚克力等材质)实现触摸功能,安全性高◆  SOP-14封装

应用范围
      ◆  各种消费性产品

      ◆  取代传统机械开关和按钮按键

管脚分布与定义

功能选择引脚配置

OD\TOG\AHL内有上拉电阻,悬空时为 1,如需选择0 将其连接到GND


极限参数

备注:超过上面极限参数可能引起器件永久性损坏。这些仅仅是应力极限值,器件不建议在这些极限值或者其他任何超过下面“推荐工作条件”的条件下工作。长时间暴露在上面极限参数条件下工作可能影响器件可靠性。

电气参数

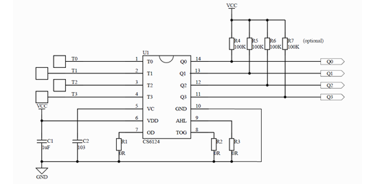
典型应用电路

注意事项:

1、PCB 走线时,从触摸点到芯片引脚线越短越好,且此引线与其它触摸点的走线不要平行或交叉。

2、电源供应必须稳定,若供给电源之电压纹波比较大,会造成灵敏度异常或误侦测。

3、当介质材料及厚度等差异较大时,可通过调整 VC GND 之间的 Cvc 电容来调节触摸灵敏度。建议的取值范围在1nF~47nF之间,典型值为10nF,在范围内电容值越大,灵敏度越高,电容值越小则灵敏度越低。必须选用较小的温度系数及较稳定的电容器;如X7R、NPO,建议选择NPO 电容器,以降低因温度变化而影响灵敏度。

封装信息

SOP-14

产品展示

PRODUCT SHOW推荐热销新品
转换器1 转换器1查看详情
RO机3 (RO净水机) RO机3 (RO净水机)查看详情
饮水机1 (中央软水机) 饮水机1 (中央软水机)查看详情
净水器4 (RO净水机) 净水器4 (RO净水机)查看详情

联系我们

CONTACT US 更多 >>

  营销体系:王先生
  电话:0592-6535160-208 
  手机:13950199583 
  传真:0592-6535166
  邮箱:wcg@chipsun.com
 
  地址:福建省厦门市同安区五显镇布塘中路1687号